江苏朔耘石化装备有限公司

产品中心

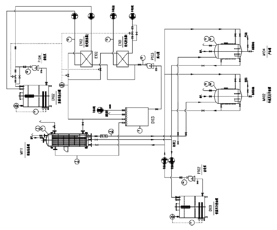
熔融结晶技术及装备

熔融结晶原理:
熔融结晶过程的推动力是熔融液中某组分的过饱和度或者过冷度其过程分为结晶、发汗、熔融三个过程。


结晶过程是熔融液的温度在逐渐下降的过程中,某组分在熔融液中处于过饱和状态开始成核,并逐渐增长为晶体。
晶体在增长过程中,不可避免的会将母液的杂质包藏到粗晶体中,所以粗晶体要经过发汗过程来提纯。
升温将纯化的晶体全部熔化。


熔融结晶技术具有很多优势:
产品纯度高
纯度可以达到色谱纯99.99%以上
操作要求低
一般是常压、低温操作,操作简单安全
无需溶剂
结晶过程不需要加入其它溶剂,避免杂质增多及环境污染



节约投资
对设备无过高要求可以降低成本和设备投资
节能环保
一般熔融结晶的能耗仅为精馏的10%-30%
适用特种物系
用熔融结晶法能分离用精馏极难分离的同分异构体、手性物质等

静态熔融结晶过程:

满足一下部分条件优先选用熔融结晶:



●物质容易受热分解
●物质聚合引起严重操作问题
●沸点非常相近,精馏能耗高
●精馏需要的理论塔板数较高
●取代苯·羚酸·稠环化合物
●苯基烷烃、苯基酮等二胺、
●二睛、二异氰酸醋




●70%以上的物质的凝固点在20-200℃需要公共工程消耗量低
●产品要求纯度大于99%
●结晶达到食品级、聚合级以及电子级要求


熔融结晶的典型应用:


石油化工

均四甲苯顺丁烯二酸酐、对二甲苯间二甲苯

聚合物单体

双酚A、丙烯酸、己内酰胺、对苯二甲酸二甲酯、已二胺



电子化学品

碳酸乙烯酯、碳酸二甲酯、碳酸亚乙烯酯、双氧水、磷酸

生物合成材料

丁二酸二甲酯、丙交酯、戊二胺、长链二元酸

您可以通过以下方式联系江苏朔耘石化装备,竭诚欢迎广大新老客户莅临指导,洽谈咨询热线:
0510-87588718
手机: 13806172795 王国华
售后服务:15861445821 王松  
地址:江苏省宜兴市芳桥街道工业集中开发区
邮箱:13806172795@163.com 

媒体关注

微信扫码关注朔耘